Real-time Operating Systems (RTOS) with the STM32F103C8T6 Blue Pill
When your embedded projects become more complex, multitasking, managing resources, and maintaining real-time responsiveness become critical. This is where Real-time Operating Systems (RTOS) shine. In this article, we'll explore how to implement an RTOS on the STM32F103C8T6 Blue Pill development board, enabling you to create sophisticated embedded systems with ease.
![]() |
| STM32F103C8T6 Blue Pill Development Board |
As your projects evolve, you may find that managing multiple tasks concurrently becomes challenging. An RTOS can help by providing a structured way to execute tasks with precise timing, ensuring that critical operations are completed promptly.
Popular RTOS Choices
There are several RTOS options suitable for the STM32F103C8T6 Blue Pill. Two popular choices are FreeRTOS and ChibiOS/RT. Both offer extensive documentation and active communities to support your projects.
Setting Up the RTOS Environment
Let's get started with setting up the environment for an RTOS project on your Blue Pill:
- Download and Install the RTOS: Select your preferred RTOS (e.g., FreeRTOS or ChibiOS/RT) and download the necessary files. Follow the installation and setup instructions provided in the RTOS documentation.
- Configure the Project: Create a new project in your preferred integrated development environment (IDE) and configure it to work with the RTOS. Define your tasks and configure the RTOS scheduler.
- Write RTOS Tasks: Develop individual tasks for your project. Tasks are functions that perform specific operations. The RTOS scheduler will manage these tasks and allocate CPU time.
![]() |
| Pin Configuration of the STM32F103C8T6 Blue Pill Development Board |
Real-time Task Scheduling
RTOS systems rely on task scheduling to determine which task runs when. Key concepts for RTOS task scheduling include:
- Priority: Assign a priority level to each task, allowing the RTOS to determine which task should run when multiple tasks are ready to execute.
- Context Switching: The RTOS performs context switching, which involves saving the state of the currently running task and restoring the state of the next task to execute. This process ensures that no data is lost during task switching.
- Synchronization: RTOS provides synchronization mechanisms such as semaphores, mutexes, and queues to facilitate inter-task communication and resource sharing.
Real-time Applications
RTOS is especially useful in real-time and critical applications. Here are some project ideas where RTOS can be beneficial with the STM32F103C8T6 Blue Pill:
- Robotics: Build a robot with multiple sensors and control modules that need to operate concurrently.
- Data Acquisition: Implement a data acquisition system where multiple sensors provide real-time data, and the RTOS ensures data is processed without delay.
- IoT Gateways: Use the Blue Pill as an IoT gateway that collects data from various sensors and transmits it to the cloud, ensuring timely data updates.
- Advanced Motor Control: Create advanced motor control systems for drones or automation applications where precise timing is essential.
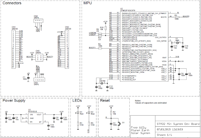
![]() |
| STM32F103C8T6 Blue Pill Development Board Schematic Diagram |
Conclusion
Implementing an RTOS on the STM32F103C8T6 Blue Pill can significantly enhance the capabilities of your embedded projects. By leveraging the power of task scheduling and synchronization, you can manage complex tasks efficiently, ensure real-time responsiveness, and develop applications that meet the stringent requirements of critical systems. As you explore RTOS with the Blue Pill, you'll be well-prepared to tackle advanced projects and take your embedded systems to the next level. Happy multitasking!



Comments
Post a Comment